学了很多年电子,为什么总是感觉,入不了门?学来学去,都不知道学了下沙,今天看了这个,明天学了那些,结果天天学习,都忘记了。其实并不是你没有,学到东西,而是你没有把知识,应用在拳头上!
今天,小编给你带来几款实战电路图,供你锻炼思维,积累经验。
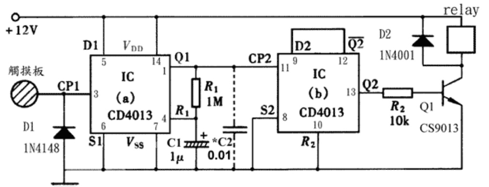
电子实验01:触摸开关

触摸开关
M 为触摸电极片, 手指摸一下 M, 使人体泄漏的交流电在 R4 上的压降, 其正半周信号进入IC1 的第 3 脚即单稳态电路的 CP 端,使单稳态电路反转进入暂态,其输出端 Q 即 1 脚由原来的低电位跳变为高电位,此高电位经 R1 向 C2 充电,使 4 脚即 R1 端的电位上升,当上升到複位 (Reset) 电位时,单稳态电路复位, 1 脚恢复低电位。所以每触摸一次电极片 M,1 脚就输出一个固定宽度的正脉波。此正脉波将直接加到 11 脚即双稳态电路的 CP 端,使双稳态电路反转一次,其输出端 Q 即 13 脚电位就改变一次。当 13 脚为高电位时, Q1 的基极透过 R2 获得正向电流而开通,使继电器动作,进而以它的接点来做控制。由此可见,每触摸一次电极片 M,就能实现继电器 “开”或“关”的动作。
电子实验02:声控开关

声控开关
当MIC话筒检测到声音的时候,产生交流变化的电信号,该电信号通过C1耦合到三极管的基极,三极管对采集到的信号,进行放大。信号由两个9014NPN型三极管进行控制,后面的三极管是开关作用,前面的三极管是放大作用。C2为电源的滤波电容,该电路图可操作性强,大家可以动手做一下。
电子实验03:采用 555 时基电路的简易温度控制器

采用 555 时基电路的简易温度控制器
当温度较低时,负温度系数的热敏电阻 Rt 阻值较大, 555 时基集成电路( IC)的 2 脚电位低于 Ec 电压的 1/3(约 4V ), IC 的 3 脚输出高电平,触发双向晶闸管 V 导通,接通电加热器 RL 进行加热, 从而开始计时循环。 当置于测温点的热敏电阻 Rt 温度高于设定值而计时循环还未完成时, 加热器 RL 在定时周期结束后就被切断。 当热敏电阻 Rt 温度降低至设定值以下时,会再次触发双向晶闸管 V 导通,接通电加热器 RL 进行加热。这样就可达到温度自动控制的目的。
电子实验04:鱼缸水温自动控制器

鱼缸水温自动控制器
设控制温度为 25℃,通过调节电位器 RP 使得 RP + Rt = 2R1 , Rt 为负温度系数的热敏电阻。当温度低于 25oC 时, Rt 阻值升高, 555 时基电路的 2 脚为低电平,则 3 脚由低电平输出变为高电平输出,继电器 K 导通,触点吸合,加热管开始加热,直到温度恢复到 25℃时, Rt 阻值变小, 555 时基电路的 2 脚处于高电平, 3 脚输出低电平,继电器 K 失电,触点断开,加热停止。
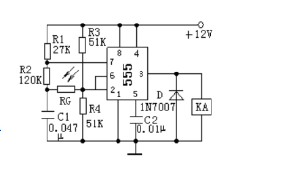
电子实验05:简易光电控制器

简易光电控制器
无光照射时,光敏电阻 RG 的阻值很大( 1M Ω 以上) ,555 时基集成电路的 2 脚、 6 脚电压约为电源电压的 1/2( 6V) , 3 脚输出低电平, KA线圈无电,继电器释放。当有光线照射到光敏电阻 RG 上时, RG 阻值会大幅下降(小于 10KΩ ), 555 的 2 脚、 6 图 18 采用 555 集成电路的简易光电控制器电路图脚电压降到电源电压的 1/3( 4V)以下。
3 脚输出高电平, KA 线圈得电,继电器吸合,即使光照消失, KA 仍保持吸合状态。其后, 如再有光线照射到光敏电阻 RG 上, 则电容 C1 储存的电压通过 RG 加到 555 的 6 脚,使 6 脚的电压大于电源电压的 2/3( 8V), 3 脚输出低电平, KA 线圈失电,继电器释放,电路恢复到原始状态。光敏电阻 RG 每受光照射一次,电路的开关状态就转换一次。
电子实验06:简易光电控制器

TDA2030功放电路图
电子实验07:稳压电源3W~15W

稳压电源
电子实验08:调光灯原理图

调光台灯
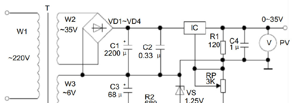
电子实验09:可调直流稳压电源电路图

直流稳压电源
本电路通过变压器 T 把 220V 的交流电压加在一次侧 W1 后, 在二次侧 W2 和 W3 分别得到 35V 和 6V 的交流电压,二次侧 W2 端通过二极管 VD1~VD4 整流、电容器 C1、 C2 滤波后输入到 IC 三端集成稳压电路的输入端,通过由 IC 稳压集成电路、电阻器 R1 和电容器C4 输出 35V 的直流电压。二次侧的 W3 线圈输出的 6V 的交流电压通过二极管 VD5 、电容器 C3、电阻器 R2 和稳压二极管 VS 输出一个- 1.25V 的负电压作为辅助电源。变阻器 RP加在 IC 集成电路的控制端,通过调节变阻器 RP 能够使输出端输出 0~30V 的直流电源。
元器件的选择:IC 选用 LM317 三端稳压集成电路; R1、 R2 选用 1/2W 型金属膜电阻器; C1、 C3 选用耐压分别为 50V 和 10V 的铝电解电容器, C2、 C4 选用 CD11— 16V 电解电容器; VD1~VD5选用 IN4007 硅型整流二极管; VS 选用 IN4106 或 2CW60 硅稳压二极管; RP 可用 WSW型有机实心微调可变电阻器; T 选用 10W、 二次侧电压为 35V 和 6V 的电源变压器; 其余器件可参考图上标注。


